特点及性能:
● 分辨率:10um,50um,100um,1mm
● 重复测量精度:Max 10um
● 多功能菜单可自由设定参数
● 高对比度7位LCD显示
● 长度/角度测量模式
● 绝对/相对测量模式
● 公制/英制可切换
● 按键/菜单可锁定
● 液晶带背光功能
● 非接触测量,没有磨损
● 抗油污、粉尘等
● 初始值重置功能(“清零”)
● 双重抗干扰处理,数据更稳定
● 2节5号电池可以使用一年并更换方便
● 独特两边弹片卡槽设计固定紧固不晃动,更换电池方便
● 程序优化解决高速滑动漏数问题
详细说明
| 特性 | 技术参数 | 备注 |
| 系统精度 | +-(0.03+0.01*L) mm | L单位;米 |
| 测量范围 | -1999999---9999999 | 毫米 |
| 移动速度 | Max 5m/s | 高速需定制 |
| 适用磁尺 | 5mm磁极距 | 磁极距5mm |
| 电源 | 2节AA 1.5V | 5号电池 |
| 工作温度 | -10C -- +60C | |
| 传感器导线长度 | 0.5m,1m,3m(常规) | 长度科定制 |
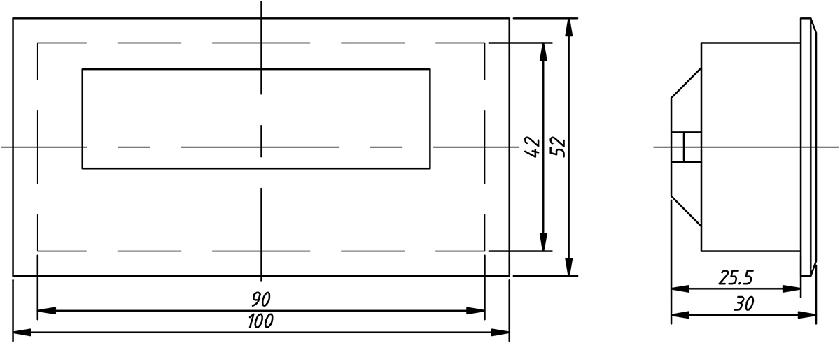
| 开孔尺寸 | M503:92*43 | |
| 读头安装间距 | 1-1.8mm | |
| 安装方式 | 前面板塞入即可 |
